寧波市江北水表廠歡迎您!

大口徑預付費水表

  • 產品型號:LXLCK-40~LXLCK-600
  • 精度級別:B級或C級/R160
  • 品牌名稱:甬誠/靈泉/JIANGBEI
  • 產品產地:浙江寧波
  • 生產廠家:寧波市江北水表廠
  • 詢價熱線:+86 133 3662 2678

產品詳情

一、產品簡介

  LXLCK-40~LXLCK-600系列大口徑預付費水表是以帶有發訊裝置的冷水可拆卸螺翼式水表為計量基表,以射頻卡為信息載體,加裝控制箱和電控閥組成的一種具有結算功能的水量計量儀表。

二、產品特點

  1. 大口徑預付費水表選用鋰電池,無需外接電源,功耗低,內部鋰電池常規情況下可使用三年以上,不受安裝條件限制;

  2. 預付費讀取功能;

  3. 數據傳輸和保存的管理功能;

  4、當電池電量不足時自動關閉閥門;

  5、人為破壞時自動報警并自動關閉閥門;

  6、當用戶所購水量剩余量為“***”噸(可設置)時,控制器自動關閥報警,提示用戶購水,當再次刷用戶卡后恢復供水;

  7、在水表遭受攻擊后立即關閉閥門,只有當售水部門檢查完水表后方可開閥供水;

  8、在購買水量用盡,閥門關閉后若控制器仍能收到發信水表發出的記數信號,則控制器顯示的剩余水量將出現負數并再次自動關閥;

  9、具有定時開關閥的功能,有效防止因閥門長期未開關而銹死的現象。

三、性能參數

壓力損失≤0.063MPa
工作水壓≤1MPa
示值誤差水溫在0.1℃至30℃范圍以內時,水表的最大允許誤差在高區(Q?≤Q≤Q?)為±2%,低區(Q?≤Q<Q?)為±5%,水溫超過30℃時,水表在高區的最大允許誤差為±3%,低區仍為±5%。
使用條件冷水水表:水溫0.1℃~30℃,相對濕度<85%;
熱水水表:水溫0.1℃~90℃,相對濕度<85%;
工作電壓3.6V鋰電池
電流平均電流:<15uA,靜態電流參考值7uA左右
數據保護自行數據記憶,掉電保存時間≥10年
安裝方式水平安裝

四、流量技術參數

型號公稱口徑
DN
計量等級過載流量
Q?
常用流量
Q?
分界流量
Q?
最小流量
Q?
最小讀數
Min
最大讀數
Max
mmm3/hm3
LXLCK-4040B20100.80.20.0002999999
LXLCK-5050B301530.450.0002999999
LXLCK-6565B502550.750.0002999999
LXLCK-8080B804081.20.002999999
LXLCK-100100B12060121.80.002999999
LXLCK-125125B2001002030.002999999
LXLCK-150150B300150304.50.002999999
LXLCK-200200B500250507.50.002999999
LXLCK-250250B80040080120.002999999
LXLCK-300300B1200600120180.029999999
LXLCK-350350B1600800160240.02999999999
LXLCK-400400B20001000200300.02999999999
LXLCK-500500B30001500300450.02999999999
LXLCK-600600B60003000600900.02999999999

五、最大允許誤差

  ① 低區 (Q?≤Q<Q?) 最大允許誤差為±5%

  ② 高區 (Q?≤Q≤Q?) 最大允許誤差為±2% (熱水表為±3%)

大口徑預付費水表流量誤差曲線圖
大口徑預付費水表流量誤差曲線圖

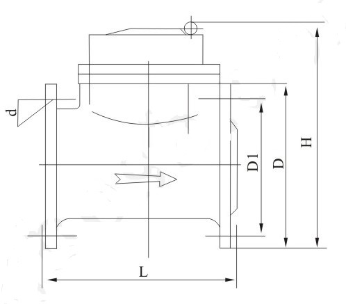
六、外形及規格尺寸

大口徑預付費水表外觀尺寸圖及規格參數表
大口徑預付費水表外觀尺寸圖
注:以上外形尺寸圖僅供參考,以實物為準。
公稱口徑 DN長 L寬 W高 H連接螺紋
mm法蘭外徑 D螺栓孔中心圓直徑 D1連接螺栓
402002564001651254xM16
502002564001651254xM16
652002564001851454xM16
802252764002001608xM16
1002502864002201808xM16
1252503014002502108xM16
1503003465002852408xM20
2003503735003402958xM20
25045049373039535012xM20
30050051673044540012xM20
35050056073052047012xM21
40060063183056551516xM24
50080078593071565020xM30
6001000865103084077020xM33